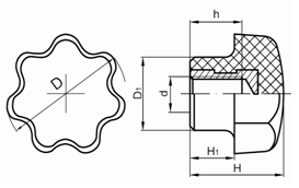
七星把手 Star Knobs
材质:PF+铜螺母
颜色:黑色
Unit:mm
Part No.
SIZE
D
d
h
H
D1
H1
SK7T-25XM5
25XM5
Ф25
M5
9
20
15
10
SK7T-25XM6
25XM6
Ф25
M6
12
20
15
10
SK7T-32XM6
32XM6
Ф32
M6
12
25
18
12
SK7T-32XM8
32XM8
Ф32
M8
13
25
18
12
SK7T-40XM8
40XM8
Ф40
M8
13
30
22
14
SK7T-40XM10
40XM10
Ф40
M10
17
30
22
14
SK7T-50XM10
50XM10
Ф50
M10
17
35
27
16
SK7T-50XM12
50XM12
Ф50
M12
22
35
27
16
SK7T-63XM12
63XM12
Ф63
M12
22
40
32
19
SK7T-63XM16
63XM16
Ф63
M16
25
40
32
19
Copyright 2009 - 2012 上海凯舒电子材料有限公司 版权所有
公司地址:上海市浦东新区民民路380弄3号
电话:021-58381118, 58991538, 58350020 ,50478011 传真:021-50211732 E-mail:info@kinglok.com
沪ICP备09082748号   沪公网安备 31011502005851号