手转螺丝 Hand Spin Screw
材质:主体--胶木,黑色。
螺母--黄铜/镀锌钢--GS

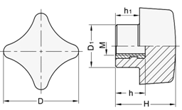
Unit:mm
Part No.
M
D
D1
H
h
h1
SK4-M5X10-25
M5
25.0
13.0
20.0
10.0
7.5
SK4-M6X12-25
M6
25.0
13.0
20.0
12.0
7.5
SK4-M6X12-32
M6
32.0
16.0
26.0
12.0
10.0
SK4-M8X16-32
M8
32.0
16.0
26.0
16.0
10.0
SK4-M8X16-40
M8
40.0
18.0
27.0
16.0
11.0
SK4-M10X20-40
M10
40.0
18.0
27.0
20.0
11.0
SK4-M10X16-50
M10
50.0
24.0
29.0
16.0
12.0
SK4-M12X16-50
M12
50.0
24.0
29.0
16.0
13.0
Copyright 2009 - 2012 上海凯舒电子材料有限公司 版权所有
公司地址:上海市浦东新区民民路380弄3号
电话:021-58381118, 58991538, 58350020 ,50478011 传真:021-50211732 E-mail:info@kinglok.com
沪ICP备09082748号   沪公网安备 31011502005851号